轴承专区
Bearings Center
YEL 204-2F轴承-SKF YEL 204-2F轴承尺寸、图纸、价格
SKF YEL 204-2F轴承
| 产品名称: | YEL 204-2F轴承 | 品牌: | SKF |
|---|---|---|---|
| 类型: | SKF轴承 > 滚动轴承 > Y-轴承 | ||
| 描述: | YEL 204-2F轴承是【SKF轴承 > 滚动轴承 > Y-轴承】的型号,主要用在农业机械、空气压缩机、提升机、大型农业机械、造纸机械、汽车转向销、钢铁厂、音像设备、土方机械、刮泥机等各大领域 | ||
电话/微信:138-8949-5179
SKF YEL 204-2F轴承详细信息
YEL 204-2F轴承是【SKF轴承 > 滚动轴承 > Y-轴承】的型号,主要用在农业机械、空气压缩机、提升机、大型农业机械、造纸机械、汽车转向销、钢铁厂、音像设备、土方机械、刮泥机等各大领域。
SKF YEL 204-2F轴承详细参数
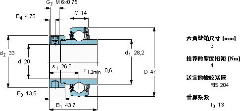
| Y-轴承, 带偏心锁定环的, YEL 2-2F | ||||||||||
| 主要数据尺寸 | 基本负荷额定值 | 疲劳负荷限值 | 限制速度 | 体积 | 型号 | |||||
| 动态 | 静态 | |||||||||
| d | D | B1 (B) | C | C | C0 | Pu | 用于轴公差h6 | |||
| mm | kN | kN | r/min | kg | - | |||||
| 20 | 47 | 43,7 | 14 | 12,7 | 6,55 | 0,28 | 8500 | 0,19 | YEL 204-2F | |
SKF YEL 204-2F轴承尺寸图纸

