轴承专区
Bearings Center
6320轴承-SKF 6320轴承尺寸、图纸、价格
SKF 6320轴承
| 产品名称: | 6320轴承 | 品牌: | SKF |
|---|---|---|---|
| 类型: | SKF轴承 > 滚动轴承 > 深沟球轴承 | ||
| 描述: | 6320轴承是【SKF轴承 > 滚动轴承 > 深沟球轴承】的型号,主要用在通用电动机、罗茨鼓风机、变速器、建筑机械、破碎机、石油钻机转环、轧钢机轧制螺杆用减速机、电子、凿岩机械、机场加油机等各大领域 | ||
电话/微信:138-8949-5179
SKF 6320轴承详细信息
6320轴承是【SKF轴承 > 滚动轴承 > 深沟球轴承】的型号,主要用在通用电动机、罗茨鼓风机、变速器、建筑机械、破碎机、石油钻机转环、轧钢机轧制螺杆用减速机、电子、凿岩机械、机场加油机等各大领域。
SKF 6320轴承详细参数
| 深沟球轴承, 单列, 无密封件 | |||||||||||
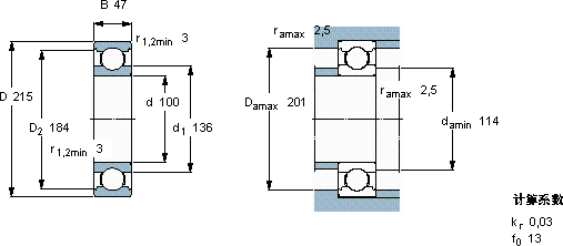
| 主要数据尺寸 | 基本负荷额定值 | 疲劳负荷限值 | 额定速度 | 体积 | 型号 | ||||||
| 动态 | 静态 | 参照速度 | 限制速度 | ||||||||
| d | D | B | C | C0 | Pu | ||||||
| mm | kN | kN | r/min | kg | - | ||||||
| 100 | 215 | 47 | 174 | 140 | 4,75 | 6700 | 4300 | 7,00 | 6320 | ||
SKF 6320轴承尺寸图纸

