轴承专区
Bearings Center
YAR 207-2RF/VE495轴承-SKF YAR 207-2RF/VE495轴承尺寸、图纸、价格
SKF YAR 207-2RF/VE495轴承
| 产品名称: | YAR 207-2RF/VE495轴承 | 品牌: | SKF |
|---|---|---|---|
| 类型: | SKF轴承 > 滚动轴承 > Y-轴承 | ||
| 描述: | YAR 207-2RF/VE495轴承是【SKF轴承 > 滚动轴承 > Y-轴承】的型号,主要用在电气装置部件、燃料喷射泵、泵、齿轮减速装置、轧钢机辊道子、起重机吊钩、船舶用螺旋桨轴、薄膜拉伸、强夯机、伽玛等各大领域 | ||
电话/微信:138-8949-5179
SKF YAR 207-2RF/VE495轴承详细信息
YAR 207-2RF/VE495轴承是【SKF轴承 > 滚动轴承 > Y-轴承】的型号,主要用在电气装置部件、燃料喷射泵、泵、齿轮减速装置、轧钢机辊道子、起重机吊钩、船舶用螺旋桨轴、薄膜拉伸、强夯机、伽玛等各大领域。
SKF YAR 207-2RF/VE495轴承详细参数
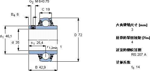
| Y-轴承, 带平头螺钉锁定的, YAR 2-2RF/VE495 | ||||||||||
| 主要数据尺寸 | 基本负荷额定值 | 疲劳负荷限值 | 限制速度 | 体积 | 型号 | |||||
| 动态 | 静态 | |||||||||
| d | D | B | C | C | C0 | Pu | 用于轴公差h6 | |||
| mm | kN | kN | r/min | kg | - | |||||
| 35 | 72 | 42,9 | 19 | 25,5 | 15,3 | 0,655 | 3200 | 0,42 | YAR 207-2RF/VE495 | |
SKF YAR 207-2RF/VE495轴承尺寸图纸

