轴承专区
Bearings Center
70/670 AMB轴承-SKF 70/670 AMB轴承尺寸、图纸、价格
SKF 70/670 AMB轴承
| 产品名称: | 70/670 AMB轴承 | 品牌: | SKF |
|---|---|---|---|
| 类型: | SKF轴承 > 滚动轴承 > 角接触球轴承 | ||
| 描述: | 70/670 AMB轴承是【SKF轴承 > 滚动轴承 > 角接触球轴承】的型号,主要用在变速器、印刷机械、发电机、轧钢机辊颈、印刷机械、制铁制钢机械、立式电动机、电子、起重机械、吹氧装置等各大领域 | ||
电话/微信:138-8949-5179
SKF 70/670 AMB轴承详细信息
70/670 AMB轴承是【SKF轴承 > 滚动轴承 > 角接触球轴承】的型号,主要用在变速器、印刷机械、发电机、轧钢机辊颈、印刷机械、制铁制钢机械、立式电动机、电子、起重机械、吹氧装置等各大领域。
SKF 70/670 AMB轴承详细参数
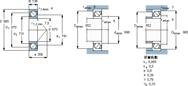
| 角接触球轴承, 单列 | |||||||||||
| 主要数据尺寸 | 尺寸 [英寸] | 疲劳负荷限值 | 额定速度 | 体积 | 型号 | ||||||
| 动态 | 静态 | 参照速度 | 限制速度 | ||||||||
| d | D | B | C | C0 | Pu | ||||||
| mm | kN | kN | r/min | kg | - | ||||||
| 670 | 980 | 136 | 1170 | 3100 | 45,5 | 560 | 600 | 340 | 70/670 AMB | ||
SKF 70/670 AMB轴承尺寸图纸

