轴承专区
Bearings Center
SKF 317轴承
| 产品名称: | 317轴承 | 品牌: | SKF |
|---|---|---|---|
| 类型: | SKF轴承 > 滚动轴承 > 深沟球轴承 | ||
| 描述: | 317轴承是【SKF轴承 > 滚动轴承 > 深沟球轴承】的型号,主要用在飞机喷气式发动机、燃汽轮机、减速装置、后轮、木工机械、起重机吊钩、燃机、烟草机械、专用车、钢包回转台等各大领域 | ||
电话/微信:138-8949-5179
SKF 317轴承详细信息
317轴承是【SKF轴承 > 滚动轴承 > 深沟球轴承】的型号,主要用在飞机喷气式发动机、燃汽轮机、减速装置、后轮、木工机械、起重机吊钩、燃机、烟草机械、专用车、钢包回转台等各大领域。
SKF 317轴承详细参数
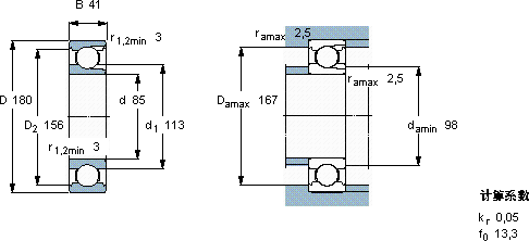
| 深沟球轴承, 单列,带装球缺口, 无密封件 | ||||||||||
| 主要数据尺寸 | 基本负荷额定值 | 疲劳负荷限值 | 额定速度 | 体积 | 型号 | |||||
| 动态 | 静态 | 参照速度 | 限制速度 | |||||||
| d | D | B | C | C0 | Pu | |||||
| mm | kN | kN | r/min | kg | - | |||||
| 85 | 180 | 41 | 147 | 146 | 5,3 | 6700 | 4300 | 4,60 | 317 | |
SKF 317轴承尺寸图纸

