轴承专区
Bearings Center
W 628/5-2ZR轴承-SKF W 628/5-2ZR轴承尺寸、图纸、价格
SKF W 628/5-2ZR轴承
| 产品名称: | W 628/5-2ZR轴承 | 品牌: | SKF |
|---|---|---|---|
| 类型: | SKF轴承 > 滚动轴承 > 深沟球轴承 | ||
| 描述: | W 628/5-2ZR轴承是【SKF轴承 > 滚动轴承 > 深沟球轴承】的型号,主要用在通用电动机、高频马达、减速装置、前轮、印刷机械、机床主轴、轧钢机轧制螺杆用减速机、玩具、混凝土机械、机场加油机等各大领域 | ||
电话/微信:138-8949-5179
SKF W 628/5-2ZR轴承详细信息
W 628/5-2ZR轴承是【SKF轴承 > 滚动轴承 > 深沟球轴承】的型号,主要用在通用电动机、高频马达、减速装置、前轮、印刷机械、机床主轴、轧钢机轧制螺杆用减速机、玩具、混凝土机械、机场加油机等各大领域。
SKF W 628/5-2ZR轴承详细参数
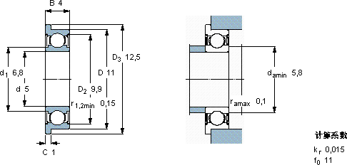
| 深沟球轴承, 单列,不锈钢,带法兰, 两面防尘罩 | ||||||||||||
| 主要数据尺寸 | 基本负荷额定值 | 疲劳负荷限值 | 额定速度 | 体积 | 型号 | |||||||
| 动态 | 静态 | 参照速度 | 限制速度 | |||||||||
| d | D | D3 | B | C | C | C0 | Pu | |||||
| mm | kN | kN | r/min | kg | - | |||||||
| 5 | 11 | 12,5 | 4 | 1 | 0,54 | 0,245 | 0,011 | 120000 | 60000 | 0,0014 | W 628/5-2ZR | |
SKF W 628/5-2ZR轴承尺寸图纸

