轴承专区
Bearings Center
FBSA 204/ DF轴承-SKF FBSA 204/ DF轴承尺寸、图纸、价格
SKF FBSA 204/ DF轴承
| 产品名称: | FBSA 204/ DF轴承 | 品牌: | SKF |
|---|---|---|---|
| 类型: | SKF轴承 > 超高精密轴承 > Angular contact thrust ball bearings for screw drives | ||
| 描述: | FBSA 204/ DF轴承是【SKF轴承 > 超高精密轴承 > Angular contact thrust ball bearings for screw drives】的型号,主要用在仪表、离心分离机、桥式起重机、变速器、印刷机械、石油钻机转环、碾煤机、电子、凿岩机械、坦克等各大领域 | ||
电话/微信:138-8949-5179
SKF FBSA 204/ DF轴承详细信息
FBSA 204/ DF轴承是【SKF轴承 > 超高精密轴承 > Angular contact thrust ball bearings for screw drives】的型号,主要用在仪表、离心分离机、桥式起重机、变速器、印刷机械、石油钻机转环、碾煤机、电子、凿岩机械、坦克等各大领域。
SKF FBSA 204/ DF轴承详细参数
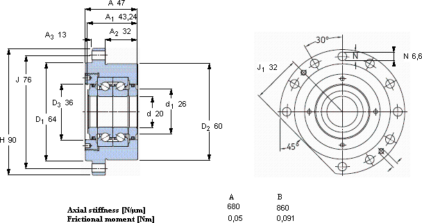
| 角接触推力球轴承 for screw drives, cartridge units with flanged housing | |||||||||||
| 主要数据尺寸 | 基本负荷额定值 | 疲劳负荷限值 | 可达到的速度 | 体积 | 型号 | ||||||
| 动态 | 静态 | 预压 | SKF | SNFA | |||||||
| A | B | ||||||||||
| d | D2 | A | C | C0 | Pu | ||||||
| mm | kN | kN | r/min | kg | - | ||||||
| 20 | 60 | 47 | 22 | 49 | 1,8 | 7600 | 3800 | 1,1 | FBSA 204/ DF | BSDU 220 FF | |
SKF FBSA 204/ DF轴承尺寸图纸

