轴承专区
Bearings Center
KMT 22轴承-SKF KMT 22轴承尺寸、图纸、价格
SKF KMT 22轴承
| 产品名称: | KMT 22轴承 | 品牌: | SKF |
|---|---|---|---|
| 类型: | SKF轴承 > 滚动轴承 > 轴承附件 | ||
| 描述: | KMT 22轴承是【SKF轴承 > 滚动轴承 > 轴承附件】的型号,主要用在农业机械、油泵、提升机、机床主轴、轧钢机辊道子、起重机吊钩、钢铁厂、饮料设备、专用车、太阳能发电设备等各大领域 | ||
电话/微信:138-8949-5179
SKF KMT 22轴承详细信息
KMT 22轴承是【SKF轴承 > 滚动轴承 > 轴承附件】的型号,主要用在农业机械、油泵、提升机、机床主轴、轧钢机辊道子、起重机吊钩、钢铁厂、饮料设备、专用车、太阳能发电设备等各大领域。
SKF KMT 22轴承详细参数
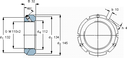
| 带锁紧销的KMT精密锁紧定螺母 | ||||||||||
| 螺纹尺寸 | 尺寸 | 轴向负荷 | 体积 | 型号 | 平头螺钉 | |||||
| 承载能力 | 锁定螺母 | 适宜的板手 | 尺寸 | 推荐的紧固扭矩 | ||||||
| d3 | B | G | 静态 | |||||||
| - | mm | - | kN | kg | - | - | - | Nm | ||
| 110 | 134 | 32 | M 110x2 | 800 | 1,45 | KMT 22 | HN 21-22 | M 10 | 35 | |
SKF KMT 22轴承尺寸图纸

