轴承专区
Bearings Center
W 6210轴承-SKF W 6210轴承尺寸、图纸、价格
SKF W 6210轴承
| 产品名称: | W 6210轴承 | 品牌: | SKF |
|---|---|---|---|
| 类型: | SKF轴承 > 滚动轴承 > 深沟球轴承 | ||
| 描述: | W 6210轴承是【SKF轴承 > 滚动轴承 > 深沟球轴承】的型号,主要用在建筑机械、离心分离机、泵、变速器、印刷机械、石油钻机转环、成形机、烟草机械、轻工机械、港口起重机等各大领域 | ||
电话/微信:138-8949-5179
SKF W 6210轴承详细信息
W 6210轴承是【SKF轴承 > 滚动轴承 > 深沟球轴承】的型号,主要用在建筑机械、离心分离机、泵、变速器、印刷机械、石油钻机转环、成形机、烟草机械、轻工机械、港口起重机等各大领域。
SKF W 6210轴承详细参数
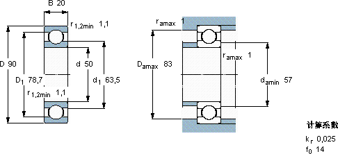
| 深沟球轴承, 单列,不锈钢, 无密封件 | ||||||||||
| 主要数据尺寸 | 基本负荷额定值 | 疲劳负荷限值 | 额定速度 | 体积 | 型号 | |||||
| 动态 | 静态 | 参照速度 | 限制速度 | |||||||
| d | D | B | C | C0 | Pu | |||||
| mm | kN | kN | r/min | kg | - | |||||
| 50 | 90 | 20 | 29,6 | 22,4 | 0,98 | 15000 | 10000 | 0,46 | W 6210 | |
SKF W 6210轴承尺寸图纸

