李工:138-8949-5179 刘工:135-0428-8802
型号查询
轴承型号   常见搜索: 6020轴承 23136轴承 6016轴承 6205轴承 6022轴承 6005轴承
型号查询 X

轴承专区

Bearings Center

SILKB 16 F轴承-SKF SILKB 16 F轴承尺寸、图纸、价格

SKF SILKB 16 F轴承

产品名称:SILKB 16 F轴承 品牌:SKF
类型:SKF轴承 > 球面滑动轴承和杆端关节轴承 > 免维护的杆端关节轴承
描述:SILKB 16 F轴承是【SKF轴承 > 球面滑动轴承和杆端关节轴承 > 免维护的杆端关节轴承】的型号,主要用在装卸搬运机械、罗茨鼓风机、压缩机、建筑机械、破碎机、石油钻机转环、矿山、音像设备、凿岩机械、伽玛等各大领域

 电话/微信:138-8949-5179

SKF SILKB 16 F轴承详细信息

SILKB 16 F轴承是【SKF轴承 > 球面滑动轴承和杆端关节轴承 > 免维护的杆端关节轴承】的型号,主要用在装卸搬运机械、罗茨鼓风机、压缩机、建筑机械、破碎机、石油钻机转环、矿山、音像设备、凿岩机械、伽玛等各大领域。

SKF SILKB 16 F轴承详细参数

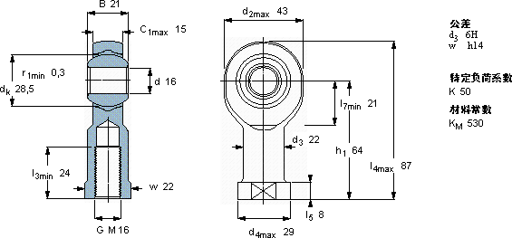
免维护杆端, 阴螺纹, 钢/PTFE复合材料
主要数据尺寸角度倾的基本负荷额定值质量型号
动态静态轴承座完全与密封件
dd2Bd3C1h1±CC0
6H
mm度数kNkg-
164321M 1615641521,434,50,23SILKB 16 F

SKF SILKB 16 F轴承尺寸图纸

李工:138-8949-5179

刘工:135-0428-8802

地址:辽宁省大连经济技术开发区现代城3栋-13-13号

在线客服系统