李工:138-8949-5179 刘工:135-0428-8802
型号查询
轴承型号   常见搜索: 688a轴承 6011轴承 6021轴承 7014轴承 6006轴承 6014轴承
型号查询 X

轴承专区

Bearings Center

1312 EKTN9 + H 312轴承-SKF 1312 EKTN9 + H 312轴承尺寸、图纸、价格

SKF 1312 EKTN9 + H 312轴承

产品名称:1312 EKTN9 + H 312轴承 品牌:SKF
类型:SKF轴承 > 滚动轴承 > 自调心球轴承
描述:1312 EKTN9 + H 312轴承是【SKF轴承 > 滚动轴承 > 自调心球轴承】的型号,主要用在家用电器、空气压缩机、桥式起重机、大型农业机械、造纸机械、汽车转向销、塔吊、啤酒、土方机械、雷达等各大领域

 电话/微信:138-8949-5179

SKF 1312 EKTN9 + H 312轴承详细信息

1312 EKTN9 + H 312轴承是【SKF轴承 > 滚动轴承 > 自调心球轴承】的型号,主要用在家用电器、空气压缩机、桥式起重机、大型农业机械、造纸机械、汽车转向销、塔吊、啤酒、土方机械、雷达等各大领域。

SKF 1312 EKTN9 + H 312轴承详细参数

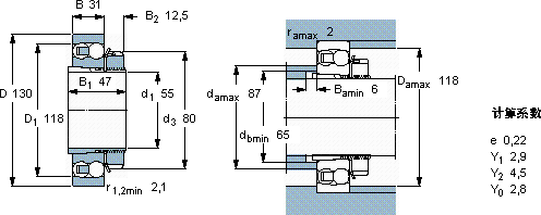
自调心球轴承, 带紧定套, 无密封件
主要数据尺寸基本负荷额定值疲劳负荷限值额定速度体积型号
动态静态参照速度限制速度轴承 + 紧定套
d1DBCC0Pu
mmkNkNr/minkg-
551303158,5221,12900063002,151312 EKTN9 + H 312

SKF 1312 EKTN9 + H 312轴承尺寸图纸

李工:138-8949-5179

刘工:135-0428-8802

地址:辽宁省大连经济技术开发区现代城3栋-13-13号

在线客服系统