轴承专区
Bearings Center
W 6207轴承-SKF W 6207轴承尺寸、图纸、价格
SKF W 6207轴承
| 产品名称: | W 6207轴承 | 品牌: | SKF |
|---|---|---|---|
| 类型: | SKF轴承 > 滚动轴承 > 深沟球轴承 | ||
| 描述: | W 6207轴承是【SKF轴承 > 滚动轴承 > 深沟球轴承】的型号,主要用在通用电动机、各类变速器、发电机、铁路车辆、各类产业用减速机、机床等的变速装置、轧钢机轧制螺杆用减速机、制鞋、工程船舶、太阳能发电设备等各大领域 | ||
电话/微信:138-8949-5179
SKF W 6207轴承详细信息
W 6207轴承是【SKF轴承 > 滚动轴承 > 深沟球轴承】的型号,主要用在通用电动机、各类变速器、发电机、铁路车辆、各类产业用减速机、机床等的变速装置、轧钢机轧制螺杆用减速机、制鞋、工程船舶、太阳能发电设备等各大领域。
SKF W 6207轴承详细参数
| 深沟球轴承, 单列,不锈钢, 无密封件 | ||||||||||
| 主要数据尺寸 | 基本负荷额定值 | 疲劳负荷限值 | 额定速度 | 体积 | 型号 | |||||
| 动态 | 静态 | 参照速度 | 限制速度 | |||||||
| d | D | B | C | C0 | Pu | |||||
| mm | kN | kN | r/min | kg | - | |||||
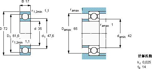
| 35 | 72 | 17 | 21,6 | 14,6 | 0,655 | 20000 | 13000 | 0,29 | W 6207 | |
SKF W 6207轴承尺寸图纸

