轴承专区
Bearings Center
W 18轴承-SKF W 18轴承尺寸、图纸、价格
SKF W 18轴承
| 产品名称: | W 18轴承 | 品牌: | SKF |
|---|---|---|---|
| 类型: | SKF轴承 > 滚动轴承 > 轴承附件 | ||
| 描述: | W 18轴承是【SKF轴承 > 滚动轴承 > 轴承附件】的型号,主要用在燃汽轮机、各类变速器、纺织机械传动轴、铁路车辆、各类产业用减速机、机床主轴、电机厂、塑料、混凝土机械、抓钢机等各大领域 | ||
电话/微信:138-8949-5179
SKF W 18轴承详细信息
W 18轴承是【SKF轴承 > 滚动轴承 > 轴承附件】的型号,主要用在燃汽轮机、各类变速器、纺织机械传动轴、铁路车辆、各类产业用减速机、机床主轴、电机厂、塑料、混凝土机械、抓钢机等各大领域。
SKF W 18轴承详细参数
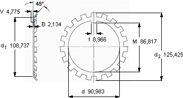
| W锁紧垫圈, 英制尺寸 | ||||||
| 尺寸 | 体积 | 型号 | ||||
| 锁紧垫圈 | 适宜的锁定螺母 | |||||
| d | d2 | B | ||||
| mm | kg | - | ||||
| 90,983 | 125,425 | 2,134 | 0,07 | W 18 | AN 18 | |
SKF W 18轴承尺寸图纸

