轴承专区
Bearings Center
SIL 50 ES-2RS轴承-SKF SIL 50 ES-2RS轴承尺寸、图纸、价格
SKF SIL 50 ES-2RS轴承
| 产品名称: | SIL 50 ES-2RS轴承 | 品牌: | SKF |
|---|---|---|---|
| 类型: | SKF轴承 > 球面滑动轴承和杆端关节轴承 > 需维护的杆端关节轴承 | ||
| 描述: | SIL 50 ES-2RS轴承是【SKF轴承 > 球面滑动轴承和杆端关节轴承 > 需维护的杆端关节轴承】的型号,主要用在装卸搬运机械、离心分离机、桥式起重机、变速器、各类产业用减速机、制铁制钢机械、矿山、破碎、堆取料机、摩天轮等各大领域 | ||
电话/微信:138-8949-5179
SKF SIL 50 ES-2RS轴承详细信息
SIL 50 ES-2RS轴承是【SKF轴承 > 球面滑动轴承和杆端关节轴承 > 需维护的杆端关节轴承】的型号,主要用在装卸搬运机械、离心分离机、桥式起重机、变速器、各类产业用减速机、制铁制钢机械、矿山、破碎、堆取料机、摩天轮等各大领域。
SKF SIL 50 ES-2RS轴承详细参数
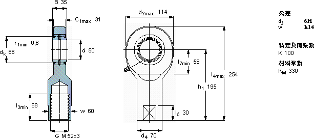
| 需要维护的杆端, 钢对钢,阴螺纹, 两面密封件 | |||||||||||
| 主要数据尺寸 | 角度倾的 | 基本负荷额定值 | 质量 | 型号 | |||||||
| 动态 | 静态 | 杆端带右或左旋螺纹 | |||||||||
| d | d2 | B | d3 | C1 | h1 | ± | C | C0 | |||
| 6H | |||||||||||
| mm | 度数 | kN | kg | - | |||||||
| 50 | 114 | 35 | M 52x3 | 31 | 195 | 6 | 156 | 270 | 4,10 | SIL 50 ES-2RS | |
SKF SIL 50 ES-2RS轴承尺寸图纸

