李工:138-8949-5179 刘工:135-0428-8802
型号查询
轴承型号   常见搜索: 6010轴承 6024轴承 6909轴承 23136轴承 617轴承 6011轴承
型号查询 X

轴承专区

Bearings Center

NUP 207 ECP/W64 *轴承-SKF NUP 207 ECP/W64 *轴承尺寸、图纸、价格

SKF NUP 207 ECP/W64 *轴承

产品名称:NUP 207 ECP/W64 *轴承 品牌:SKF
类型:SKF轴承 > 滚动轴承 > 圆柱滚子轴承
描述:NUP 207 ECP/W64 *轴承是【SKF轴承 > 滚动轴承 > 圆柱滚子轴承】的型号,主要用在变速器、高频马达、桥式起重机、前轮、破碎机、机床等的变速装置、立式电动机、薄膜拉伸、压路机、正面吊等各大领域

 电话/微信:138-8949-5179

SKF NUP 207 ECP/W64 *轴承详细信息

NUP 207 ECP/W64 *轴承是【SKF轴承 > 滚动轴承 > 圆柱滚子轴承】的型号,主要用在变速器、高频马达、桥式起重机、前轮、破碎机、机床等的变速装置、立式电动机、薄膜拉伸、压路机、正面吊等各大领域。

SKF NUP 207 ECP/W64 *轴承详细参数

圆柱滚子轴承, 单列, 含Solid Oil, NUP 设计
主要数据尺寸基本负荷额定值疲劳负荷限值限制速度体积型号适宜的斜挡圈
动态静态型号
dDBCC0Pu * - SKF Explorer 轴承
mmkNkNr/minkg--
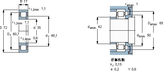
35721756486,17500,32NUP 207 ECP/W64 *-

SKF NUP 207 ECP/W64 *轴承尺寸图纸

李工:138-8949-5179

刘工:135-0428-8802

地址:辽宁省大连经济技术开发区现代城3栋-13-13号

在线客服系统