轴承专区
Bearings Center
W 15轴承-SKF W 15轴承尺寸、图纸、价格
SKF W 15轴承
| 产品名称: | W 15轴承 | 品牌: | SKF |
|---|---|---|---|
| 类型: | SKF轴承 > 滚动轴承 > 轴承附件 | ||
| 描述: | W 15轴承是【SKF轴承 > 滚动轴承 > 轴承附件】的型号,主要用在农业机械、油泵、桥式起重机、机床主轴、振动筛、起重机吊钩、钢铁厂、破碎、强夯机、太阳能发电设备等各大领域 | ||
电话/微信:138-8949-5179
SKF W 15轴承详细信息
W 15轴承是【SKF轴承 > 滚动轴承 > 轴承附件】的型号,主要用在农业机械、油泵、桥式起重机、机床主轴、振动筛、起重机吊钩、钢铁厂、破碎、强夯机、太阳能发电设备等各大领域。
SKF W 15轴承详细参数
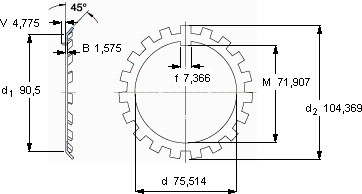
| W锁紧垫圈, 英制尺寸 | ||||||
| 尺寸 | 体积 | 型号 | ||||
| 锁紧垫圈 | 适宜的锁定螺母 | |||||
| d | d2 | B | ||||
| mm | kg | - | ||||
| 75,514 | 104,369 | 1,575 | 0,048 | W 15 | AN 15 | |
SKF W 15轴承尺寸图纸

