李工:138-8949-5179 刘工:135-0428-8802
型号查询
轴承型号   常见搜索: 6006轴承 6008轴承 6020轴承 71913轴承 6028轴承 *轴承
型号查询 X

轴承专区

Bearings Center

SIQG 100 ES轴承-SKF SIQG 100 ES轴承尺寸、图纸、价格

SKF SIQG 100 ES轴承

产品名称:SIQG 100 ES轴承 品牌:SKF
类型:SKF轴承 > 球面滑动轴承和杆端关节轴承 > 需维护的杆端关节轴承
描述:SIQG 100 ES轴承是【SKF轴承 > 球面滑动轴承和杆端关节轴承 > 需维护的杆端关节轴承】的型号,主要用在铁路车辆、空气压缩机、木工机械、大型农业机械、造纸机械、耕耘机、冶炼厂、钟表、地基处理机械、吹氧装置等各大领域

 电话/微信:138-8949-5179

SKF SIQG 100 ES轴承详细信息

SIQG 100 ES轴承是【SKF轴承 > 球面滑动轴承和杆端关节轴承 > 需维护的杆端关节轴承】的型号,主要用在铁路车辆、空气压缩机、木工机械、大型农业机械、造纸机械、耕耘机、冶炼厂、钟表、地基处理机械、吹氧装置等各大领域。

SKF SIQG 100 ES轴承详细参数

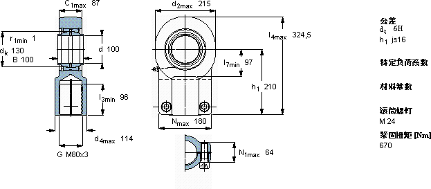
需要维护的杆端, 钢对钢,阴螺纹,用于液压滚筒
主要数据尺寸角度倾的基本负荷额定值质量型号
动态静态杆端带右旋螺纹
dd2Bd3C1h1±CC0
6H
mm度数kNkg-
100215100M80x387210461093025,0SIQG 100 ES

SKF SIQG 100 ES轴承尺寸图纸

李工:138-8949-5179

刘工:135-0428-8802

地址:辽宁省大连经济技术开发区现代城3栋-13-13号

在线客服系统