轴承专区
Bearings Center
T7FC 060T80/QCL7CDTC10 *轴承-SKF T7FC 060T80/QCL7CDTC10 *轴承尺寸、图纸、价格
SKF T7FC 060T80/QCL7CDTC10 *轴承
| 产品名称: | T7FC 060T80/QCL7CDTC10 *轴承 | 品牌: | SKF |
|---|---|---|---|
| 类型: | SKF轴承 > 滚动轴承 > 圆锥滚子轴承 | ||
| 描述: | T7FC 060T80/QCL7CDTC10 *轴承是【SKF轴承 > 滚动轴承 > 圆锥滚子轴承】的型号,主要用在变速器、离心分离机、压缩机、变速器、轧钢机齿轮箱座、制铁制钢机械、立式电动机、纺织、起重机械、机械手等各大领域 | ||
电话/微信:138-8949-5179
SKF T7FC 060T80/QCL7CDTC10 *轴承详细信息
T7FC 060T80/QCL7CDTC10 *轴承是【SKF轴承 > 滚动轴承 > 圆锥滚子轴承】的型号,主要用在变速器、离心分离机、压缩机、变速器、轧钢机齿轮箱座、制铁制钢机械、立式电动机、纺织、起重机械、机械手等各大领域。
SKF T7FC 060T80/QCL7CDTC10 *轴承详细参数
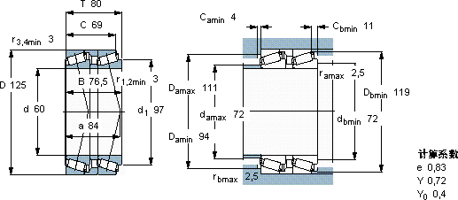
| 圆锥滚子轴承, 单列,前后配对 | ||||||||||
| 主要数据尺寸 | 基本负荷额定值 | 疲劳负荷限值 | 额定速度 | 体积 | 型号 | |||||
| 动态 | 静态 | 参照速度 | 限制速度 | |||||||
| d | D | B | C | C0 | Pu | * - SKF Explorer 轴承 | ||||
| mm | kN | kN | r/min | kg | - | |||||
| 60 | 125 | 80 | 305 | 405 | 49 | 3000 | 5300 | 4,05 | T7FC 060T80/QCL7CDTC10 * | |
SKF T7FC 060T80/QCL7CDTC10 *轴承尺寸图纸

