轴承专区
Bearings Center
7317 BEGBY轴承-SKF 7317 BEGBY轴承尺寸、图纸、价格
SKF 7317 BEGBY轴承
| 产品名称: | 7317 BEGBY轴承 | 品牌: | SKF |
|---|---|---|---|
| 类型: | SKF轴承 > 滚动轴承 > 角接触球轴承 | ||
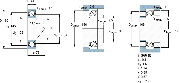
| 描述: | 7317 BEGBY轴承是【SKF轴承 > 滚动轴承 > 角接触球轴承】的型号,主要用在飞机喷气式发动机、小型汽车前轮、压缩机、差速器、木工机械、耕耘机、燃机、烟草机械、平地机、厨具设备等各大领域 | ||
电话/微信:138-8949-5179
SKF 7317 BEGBY轴承详细信息
7317 BEGBY轴承是【SKF轴承 > 滚动轴承 > 角接触球轴承】的型号,主要用在飞机喷气式发动机、小型汽车前轮、压缩机、差速器、木工机械、耕耘机、燃机、烟草机械、平地机、厨具设备等各大领域。
SKF 7317 BEGBY轴承详细参数
| 角接触球轴承, 单列 | |||||||||||
| 主要数据尺寸 | 尺寸 [英寸] | 疲劳负荷限值 | 额定速度 | 体积 | 型号 | ||||||
| 动态 | 静态 | 参照速度 | 限制速度 | ||||||||
| d | D | B | C | C0 | Pu | ||||||
| mm | kN | kN | r/min | kg | - | ||||||
| 85 | 180 | 41 | 153 | 132 | 4,9 | 4300 | 4300 | 4,59 | 7317 BEGBY | ||
SKF 7317 BEGBY轴承尺寸图纸

