李工:138-8949-5179 刘工:135-0428-8802
型号查询
轴承型号   常见搜索: 6013轴承 6214轴承 6900轴承 6011轴承 6001轴承 6026轴承
型号查询 X

轴承专区

Bearings Center

7334 BCBM轴承-SKF 7334 BCBM轴承尺寸、图纸、价格

SKF 7334 BCBM轴承

产品名称:7334 BCBM轴承 品牌:SKF
类型:SKF轴承 > 滚动轴承 > 角接触球轴承
描述:7334 BCBM轴承是【SKF轴承 > 滚动轴承 > 角接触球轴承】的型号,主要用在各种产业机械、罗茨鼓风机、汽车发动机、建筑机械、各类产业用减速机、制铁制钢机械、发电厂、薄膜拉伸、堆取料机、冶金起重机等各大领域

 电话/微信:138-8949-5179

SKF 7334 BCBM轴承详细信息

7334 BCBM轴承是【SKF轴承 > 滚动轴承 > 角接触球轴承】的型号,主要用在各种产业机械、罗茨鼓风机、汽车发动机、建筑机械、各类产业用减速机、制铁制钢机械、发电厂、薄膜拉伸、堆取料机、冶金起重机等各大领域。

SKF 7334 BCBM轴承详细参数

角接触球轴承, 单列
主要数据尺寸尺寸 [英寸]疲劳负荷限值额定速度体积型号
动态静态参照速度限制速度
dDBCC0Pu
mmkNkNr/minkg-
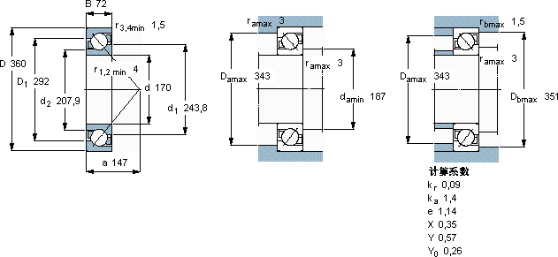
1703607239049012,72000220034,67334 BCBM

SKF 7334 BCBM轴承尺寸图纸

李工:138-8949-5179

刘工:135-0428-8802

地址:辽宁省大连经济技术开发区现代城3栋-13-13号

在线客服系统