轴承专区
Bearings Center
LL 687949/910轴承-SKF LL 687949/910轴承尺寸、图纸、价格
SKF LL 687949/910轴承
| 产品名称: | LL 687949/910轴承 | 品牌: | SKF |
|---|---|---|---|
| 类型: | SKF轴承 > 滚动轴承 > 圆锥滚子轴承 | ||
| 描述: | LL 687949/910轴承是【SKF轴承 > 滚动轴承 > 圆锥滚子轴承】的型号,主要用在电气装置部件、油泵、中型及大型电动机、机床主轴、造纸机械、石油钻机、船舶用螺旋桨轴、纺织、解体机、摩天轮等各大领域 | ||
电话/微信:138-8949-5179
SKF LL 687949/910轴承详细信息
LL 687949/910轴承是【SKF轴承 > 滚动轴承 > 圆锥滚子轴承】的型号,主要用在电气装置部件、油泵、中型及大型电动机、机床主轴、造纸机械、石油钻机、船舶用螺旋桨轴、纺织、解体机、摩天轮等各大领域。
SKF LL 687949/910轴承详细参数
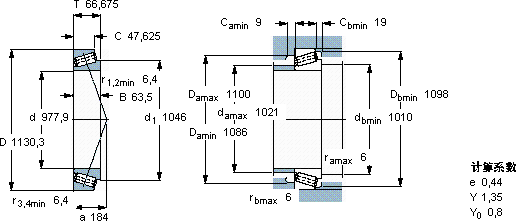
| 圆锥滚子轴承, 单列, 英制轴承 | ||||||||||
| 主要数据尺寸 | 基本负荷额定值 | 疲劳负荷限值 | 额定速度 | 体积 | 型号 | |||||
| 动态 | 静态 | 参照速度 | 限制速度 | |||||||
| d | D | T | C | C0 | Pu | |||||
| mm | kN | kN | r/min | kg | - | |||||
| 977,9 | 1130,3 | 66,675 | 1450 | 4400 | 285 | 260 | 380 | 100 | LL 687949/910 | |
SKF LL 687949/910轴承尺寸图纸

