轴承专区
Bearings Center
STO 30轴承-SKF STO 30轴承尺寸、图纸、价格
SKF STO 30轴承
| 产品名称: | STO 30轴承 | 品牌: | SKF |
|---|---|---|---|
| 类型: | SKF轴承 > 滚动轴承 > 滚轮轴承 | ||
| 描述: | STO 30轴承是【SKF轴承 > 滚动轴承 > 滚轮轴承】的型号,主要用在燃汽轮机、高频马达、提升机、前轮、各类产业用减速机、机床主轴、电机厂、钟表、混凝土机械、码垛机器人等各大领域 | ||
电话/微信:138-8949-5179
SKF STO 30轴承详细信息
STO 30轴承是【SKF轴承 > 滚动轴承 > 滚轮轴承】的型号,主要用在燃汽轮机、高频马达、提升机、前轮、各类产业用减速机、机床主轴、电机厂、钟表、混凝土机械、码垛机器人等各大领域。
SKF STO 30轴承详细参数
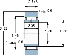
| 不带法兰圈支承滚子,有内圈 | |||||||||||
| 尺寸 | 基本负荷额定值 | 疲劳限值 | 最大径向负荷 | 限制速度 | 体积 | 型号 | |||||
| 动态 | 静态 | 动态 | 静态 | ||||||||
| D | d | C | C | C0 | Pu | Fr | F0r | ||||
| mm | kN | kN | kN | r/min | kg | - | |||||
| 62 | 30 | 19,8 | 22,9 | 34,5 | 4,25 | 23,6 | 33,5 | 2800 | 0,31 | STO 30 | |
SKF STO 30轴承尺寸图纸

