轴承专区
Bearings Center
LFKL25-SF轴承-INA LFKL25-SF轴承尺寸、图纸、价格
INA LFKL25-SF轴承
| 产品名称: | LFKL25-SF轴承 | 品牌: | INA |
|---|---|---|---|
| 类型: | INA轴承 > 滑块 | ||
| 描述: | LFKL25-SF轴承是【INA轴承 > 滑块】的型号,主要用在变速器、离心分离机、泵、变速器、印刷机械、石油钻机转环、立式电动机、破碎、凿岩机械、机械手等各大领域 | ||
电话/微信:138-8949-5179
INA LFKL25-SF轴承详细信息
LFKL25-SF轴承是【INA轴承 > 滑块】的型号,主要用在变速器、离心分离机、泵、变速器、印刷机械、石油钻机转环、立式电动机、破碎、凿岩机械、机械手等各大领域。
INA LFKL25-SF轴承详细参数
| 参数 | 值 | 备注 |
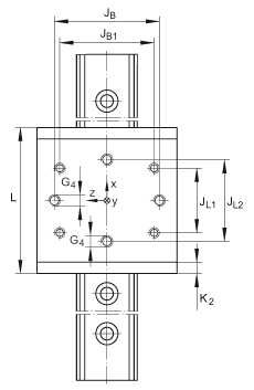
| H1 | 23,5 mm | |
| B | 65 mm | |
| L | 85 mm | |
| G4 | M5 | |
| H | 滑块和导轨的总高度:H = 25 mm对 LFS, -C, -CE, -CEE, -E, -EE, -N, -NZZH = 56 mm对 LFS..-M导轨 LFS..-M 只能;和带可调游隙的滑块一起使用。如果要使用 SF 和 LFKL滑块,请先和我们联;系 | |
| H2 | 14,4 mm | 公差: +0,3 |
| H3 | 9 mm | |
| JB | 50 mm | 公差: +/-0,2 |
| JB1 | 40 mm | |
| JL1 | 45 mm | |
| JL2 | 60 mm | 公差: +/-0,2 |
| K2 | 5 mm | |
| mW | 300 g | 滑块的质量 |
| MA | 2,5 Nm | 适用于标准设计。对滚轮的螺栓,向心螺栓的锁紧力矩应达到 MA。 |
| MA | 2,5 Nm | 可采用耐腐蚀设计 "RB"。对滚轮的螺栓,向心螺栓的锁紧力矩应达到 MA。 |
| 基本额定载荷不适用于 "-RB" 设计。 | ||
| Cy | 1280 N | y 方向的基本额定动载荷 |
| C0y | 820 N | y 方向的基本额定静载荷 |
| Cz | 2580 N | z 方向的基本额定动载荷 |
| C0z | 1800 N | z 方向的基本额定静载荷 |
| Mx | 13 Nm | 绕 X 轴的额定动扭矩 |
| M0x | 8 Nm | 绕 X 轴的额定静扭矩 |
| My | 58 Nm | 绕 Y 轴的额定动扭矩 |
| M0y | 40 Nm | 绕 Y 轴的额定静扭矩 |
| Mz | 31 Nm | 绕 Z 轴的额定动扭矩 |
| M0z | 18 Nm | 绕 Z 轴的额定静扭矩 |
| 订货型号:- 耐腐蚀设计:滑块:LFCL..-RB导轨:LFS..-RB滚轮:LFR..-2RSR-RB- 不带孔的导轨:LFS..-OL | ||
| 无润滑嘴,可以通过端孔实现再润滑 | ||
| LFR50/5-6-2Z | 使用的滚轮轴的直径:6 mm对于替换零件的订货,请和我们联;系。 | |
| LFS25 | 基于此导轨的基本额定载荷和额定扭矩的计算 |
INA LFKL25-SF轴承尺寸图纸

