轴承专区
Bearings Center
RLS 7轴承-SKF RLS 7轴承尺寸、图纸、价格
SKF RLS 7轴承
| 产品名称: | RLS 7轴承 | 品牌: | SKF |
|---|---|---|---|
| 类型: | SKF轴承 > 滚动轴承 > 深沟球轴承 | ||
| 描述: | RLS 7轴承是【SKF轴承 > 滚动轴承 > 深沟球轴承】的型号,主要用在燃汽轮机、印刷机械、提升机、轧钢机辊颈、轧钢机齿轮箱座、制铁制钢机械、电机厂、饮料设备、堆取料机、数控设备等各大领域 | ||
电话/微信:138-8949-5179
SKF RLS 7轴承详细信息
RLS 7轴承是【SKF轴承 > 滚动轴承 > 深沟球轴承】的型号,主要用在燃汽轮机、印刷机械、提升机、轧钢机辊颈、轧钢机齿轮箱座、制铁制钢机械、电机厂、饮料设备、堆取料机、数控设备等各大领域。
SKF RLS 7轴承详细参数
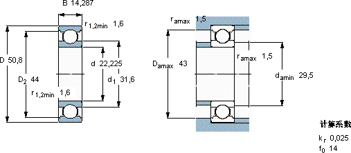
| 深沟球轴承, 单列, 无密封件,带英制尺寸 | |||||||||||
| 主要数据尺寸 | 基本负荷额定值 | 疲劳负荷限值 | 额定速度 | 体积 | 型号 | ||||||
| 动态 | 静态 | 参照速度 | 限制速度 | ||||||||
| d | D | B | C | C0 | Pu | ||||||
| mm | kN | kN | r/min | kg | - | ||||||
| 22,225 | 50,8 | 14,287 | 14 | 7,65 | 0,325 | 26000 | 19000 | 0,12 | RLS 7 | 仅对售后市场 | |
SKF RLS 7轴承尺寸图纸

