轴承专区
Bearings Center
SIR 60 ES轴承-SKF SIR 60 ES轴承尺寸、图纸、价格
SKF SIR 60 ES轴承
| 产品名称: | SIR 60 ES轴承 | 品牌: | SKF |
|---|---|---|---|
| 类型: | SKF轴承 > 球面滑动轴承和杆端关节轴承 > 需维护的杆端关节轴承 | ||
| 描述: | SIR 60 ES轴承是【SKF轴承 > 球面滑动轴承和杆端关节轴承 > 需维护的杆端关节轴承】的型号,主要用在变速器、高频马达、汽车发动机、前轮、轧钢机齿轮箱座、机床等的变速装置、立式电动机、破碎、压路机、正面吊等各大领域 | ||
电话/微信:138-8949-5179
SKF SIR 60 ES轴承详细信息
SIR 60 ES轴承是【SKF轴承 > 球面滑动轴承和杆端关节轴承 > 需维护的杆端关节轴承】的型号,主要用在变速器、高频马达、汽车发动机、前轮、轧钢机齿轮箱座、机床等的变速装置、立式电动机、破碎、压路机、正面吊等各大领域。
SKF SIR 60 ES轴承详细参数
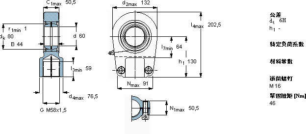
| 需要维护的杆端, 钢对钢,阴螺纹,用于液压滚筒 | |||||||||||
| 主要数据尺寸 | 角度倾的 | 基本负荷额定值 | 质量 | 型号 | |||||||
| 动态 | 静态 | 杆端带右旋螺纹 | |||||||||
| d | d2 | B | d3 | C1 | h1 | ± | C | C0 | |||
| 6H | |||||||||||
| mm | 度数 | kN | kg | - | |||||||
| 60 | 132 | 44 | M58x1,5 | 50,5 | 130 | 6 | 245 | 325 | 6,20 | SIR 60 ES | |
SKF SIR 60 ES轴承尺寸图纸

