李工:138-8949-5179 刘工:135-0428-8802
型号查询
轴承型号   常见搜索: 6032轴承 688a轴承 6002轴承 6205轴承 6030轴承 6004轴承
型号查询 X

轴承专区

Bearings Center

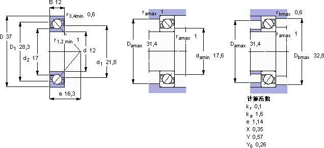
7301 BEP轴承-SKF 7301 BEP轴承尺寸、图纸、价格

SKF 7301 BEP轴承

产品名称:7301 BEP轴承 品牌:SKF
类型:SKF轴承 > 滚动轴承 > 角接触球轴承
描述:7301 BEP轴承是【SKF轴承 > 滚动轴承 > 角接触球轴承】的型号,主要用在家用电器、燃料喷射泵、变速器、齿轮减速装置、木工机械、石油钻机、塔吊、玩具、给料机械、冶金起重机等各大领域

 电话/微信:138-8949-5179

SKF 7301 BEP轴承详细信息

7301 BEP轴承是【SKF轴承 > 滚动轴承 > 角接触球轴承】的型号,主要用在家用电器、燃料喷射泵、变速器、齿轮减速装置、木工机械、石油钻机、塔吊、玩具、给料机械、冶金起重机等各大领域。

SKF 7301 BEP轴承详细参数

角接触球轴承, 单列
主要数据尺寸尺寸 [英寸]疲劳负荷限值额定速度体积型号
动态静态参照速度限制速度
dDBCC0Pu
mmkNkNr/minkg-
12371210,650,20824000240000,0637301 BEP

SKF 7301 BEP轴承尺寸图纸

李工:138-8949-5179

刘工:135-0428-8802

地址:辽宁省大连经济技术开发区现代城3栋-13-13号

在线客服系统