轴承专区
Bearings Center
HMVC 44E轴承-SKF HMVC 44E轴承尺寸、图纸、价格
SKF HMVC 44E轴承
| 产品名称: | HMVC 44E轴承 | 品牌: | SKF |
|---|---|---|---|
| 类型: | SKF轴承 > 滚动轴承 > 轴承附件 | ||
| 描述: | HMVC 44E轴承是【SKF轴承 > 滚动轴承 > 轴承附件】的型号,主要用在通用电动机、高频马达、提升机、前轮、破碎机、机床主轴、轧钢机轧制螺杆用减速机、化纤机械、混凝土机械、机场加油机等各大领域 | ||
电话/微信:138-8949-5179
SKF HMVC 44E轴承详细信息
HMVC 44E轴承是【SKF轴承 > 滚动轴承 > 轴承附件】的型号,主要用在通用电动机、高频马达、提升机、前轮、破碎机、机床主轴、轧钢机轧制螺杆用减速机、化纤机械、混凝土机械、机场加油机等各大领域。
SKF HMVC 44E轴承详细参数
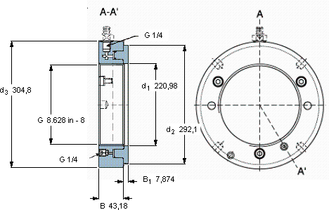
| Hydraulic nuts, inch sizes | ||||||||||||
| 螺纹尺寸 | 尺寸 | Permitted | Piston area | 体积 | 型号 | |||||||
| piston | ||||||||||||
| G | d1 | d2 | d3 | B | B1 | displacement | ||||||
| mm | mm (metric sizes) | mm | mm | mm2 (metric sizes) | kg | - | ||||||
| in - threads/in (inch sizes) | in2 (inch sizes) | |||||||||||
| 217,089 | 8.628 in - 8 | 220,98 | 292,1 | 304,8 | 43,18 | 7,874 | 8,89 | 22,3 | 29,8 | HMVC 44E | - | |
SKF HMVC 44E轴承尺寸图纸

