李工:138-8949-5179 刘工:135-0428-8802
型号查询
轴承型号   常见搜索: 71913轴承 23136轴承 22222轴承 6304轴承 3214轴承 6305轴承
型号查询 X

轴承专区

Bearings Center

2 x 7205 BEGBY轴承-SKF 2 x 7205 BEGBY轴承尺寸、图纸、价格

SKF 2 x 7205 BEGBY轴承

产品名称:2 x 7205 BEGBY轴承 品牌:SKF
类型:SKF轴承 > 滚动轴承 > 角接触球轴承
描述:2 x 7205 BEGBY轴承是【SKF轴承 > 滚动轴承 > 角接触球轴承】的型号,主要用在各种产业机械、印刷机械、变速器、轧钢机辊颈、破碎机、石油钻机转环、发电厂、啤酒、凿岩机械、雷达等各大领域

 电话/微信:138-8949-5179

SKF 2 x 7205 BEGBY轴承详细信息

2 x 7205 BEGBY轴承是【SKF轴承 > 滚动轴承 > 角接触球轴承】的型号,主要用在各种产业机械、印刷机械、变速器、轧钢机辊颈、破碎机、石油钻机转环、发电厂、啤酒、凿岩机械、雷达等各大领域。

SKF 2 x 7205 BEGBY轴承详细参数

角接触球轴承, 单列,用于配对安装, 面对面配对
主要数据尺寸基本负荷额定值疲劳负荷限值额定速度体积型号轴承配对
动态静态参照速度限制速度
dD2BCC0Pu
mmkNkNr/minkg--
25523025,120,40,8512000150000,262 × 7205 BEGBYDF

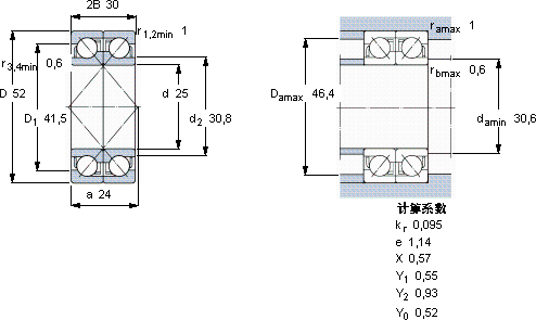
SKF 2 x 7205 BEGBY轴承尺寸图纸

李工:138-8949-5179

刘工:135-0428-8802

地址:辽宁省大连经济技术开发区现代城3栋-13-13号

在线客服系统