李工:138-8949-5179 刘工:135-0428-8802
型号查询
轴承型号   常见搜索: 6018轴承 6008轴承 6005轴承 3214轴承 2025轴承 6004轴承
型号查询 X

轴承专区

Bearings Center

23040 CCK/W33 + AH 3040 G *轴承-SKF 23040 CCK/W33 + AH 3040 G *轴承尺寸、图纸、价格

SKF 23040 CCK/W33 + AH 3040 G *轴承

产品名称:23040 CCK/W33 + AH 3040 G *轴承 品牌:SKF
类型:SKF轴承 > 滚动轴承 > 球面滚子轴承
描述:23040 CCK/W33 + AH 3040 G *轴承是【SKF轴承 > 滚动轴承 > 球面滚子轴承】的型号,主要用在燃汽轮机、印刷机械、桥式起重机、轧钢机辊颈、破碎机、制铁制钢机械、电机厂、玩具、堆取料机、数控设备等各大领域

 电话/微信:138-8949-5179

SKF 23040 CCK/W33 + AH 3040 G *轴承详细信息

23040 CCK/W33 + AH 3040 G *轴承是【SKF轴承 > 滚动轴承 > 球面滚子轴承】的型号,主要用在燃汽轮机、印刷机械、桥式起重机、轧钢机辊颈、破碎机、制铁制钢机械、电机厂、玩具、堆取料机、数控设备等各大领域。

SKF 23040 CCK/W33 + AH 3040 G *轴承详细参数

球面滚子轴承, 带退卸套的
主要数据尺寸基本负荷额定值疲劳负荷限值额定速度体积型号
动态静态参照速度限制速度轴承 +退卸套
d1DBCC0Pu
* - SKF Explorer 轴承
mmkNkNr/minkg-
19031082100015301371800220026,323040 CCK/W33 + AH 3040 G *

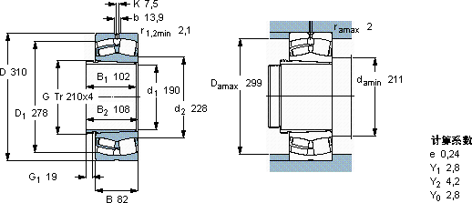
SKF 23040 CCK/W33 + AH 3040 G *轴承尺寸图纸

李工:138-8949-5179

刘工:135-0428-8802

地址:辽宁省大连经济技术开发区现代城3栋-13-13号

在线客服系统