轴承专区
Bearings Center
SILKAC 5 M轴承-SKF SILKAC 5 M轴承尺寸、图纸、价格
SKF SILKAC 5 M轴承
| 产品名称: | SILKAC 5 M轴承 | 品牌: | SKF |
|---|---|---|---|
| 类型: | SKF轴承 > 球面滑动轴承和杆端关节轴承 > 需维护的杆端关节轴承 | ||
| 描述: | SILKAC 5 M轴承是【SKF轴承 > 球面滑动轴承和杆端关节轴承 > 需维护的杆端关节轴承】的型号,主要用在变速器、高频马达、压缩机、前轮、印刷机械、机床主轴、立式电动机、医药设备、混凝土机械、正面吊等各大领域 | ||
电话/微信:138-8949-5179
SKF SILKAC 5 M轴承详细信息
SILKAC 5 M轴承是【SKF轴承 > 球面滑动轴承和杆端关节轴承 > 需维护的杆端关节轴承】的型号,主要用在变速器、高频马达、压缩机、前轮、印刷机械、机床主轴、立式电动机、医药设备、混凝土机械、正面吊等各大领域。
SKF SILKAC 5 M轴承详细参数
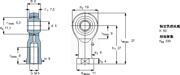
| 需要维护的杆端, 钢对青铜,阴螺纹 | |||||||||||
| 主要数据尺寸 | 角度倾的 | 基本负荷额定值 | 质量 | 型号 | |||||||
| 动态 | 静态 | 轴承座完全与 | |||||||||
| d | d2 | B | d3 | C1 | h1 | ± | C | C0 | |||
| 6H | |||||||||||
| mm | 度数 | kN | kg | - | |||||||
| 5 | 19 | 8 | M 5 | 7,5 | 27 | 13 | 3,25 | 5,4 | 0,019 | SILKAC 5 M | |
SKF SILKAC 5 M轴承尺寸图纸

