轴承专区
Bearings Center
61838轴承-SKF 61838轴承尺寸、图纸、价格
SKF 61838轴承
| 产品名称: | 61838轴承 | 品牌: | SKF |
|---|---|---|---|
| 类型: | SKF轴承 > 滚动轴承 > 深沟球轴承 | ||
| 描述: | 61838轴承是【SKF轴承 > 滚动轴承 > 深沟球轴承】的型号,主要用在变速器、各类变速器、木工机械、铁路车辆、破碎机、机床等的变速装置、立式电动机、医药设备、压路机、机械手等各大领域 | ||
电话/微信:138-8949-5179
SKF 61838轴承详细信息
61838轴承是【SKF轴承 > 滚动轴承 > 深沟球轴承】的型号,主要用在变速器、各类变速器、木工机械、铁路车辆、破碎机、机床等的变速装置、立式电动机、医药设备、压路机、机械手等各大领域。
SKF 61838轴承详细参数
| 深沟球轴承, 单列, 无密封件 | |||||||||||
| 主要数据尺寸 | 基本负荷额定值 | 疲劳负荷限值 | 额定速度 | 体积 | 型号 | ||||||
| 动态 | 静态 | 参照速度 | 限制速度 | ||||||||
| d | D | B | C | C0 | Pu | ||||||
| mm | kN | kN | r/min | kg | - | ||||||
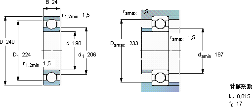
| 190 | 240 | 24 | 76,1 | 98 | 2,8 | 5300 | 3200 | 2,60 | 61838 | ||
SKF 61838轴承尺寸图纸

