李工:138-8949-5179 刘工:135-0428-8802
型号查询
轴承型号   常见搜索: 6214轴承 6014轴承 6024轴承 6017轴承 23136轴承 6001轴承
型号查询 X

轴承专区

Bearings Center

6208 ETN9轴承-SKF 6208 ETN9轴承尺寸、图纸、价格

SKF 6208 ETN9轴承

产品名称:6208 ETN9轴承 品牌:SKF
类型:SKF轴承 > 滚动轴承 > 深沟球轴承
描述:6208 ETN9轴承是【SKF轴承 > 滚动轴承 > 深沟球轴承】的型号,主要用在装卸搬运机械、离心分离机、发电机、变速器、各类产业用减速机、制铁制钢机械、矿山、饮料设备、起重机械、摩天轮等各大领域

 电话/微信:138-8949-5179

SKF 6208 ETN9轴承详细信息

6208 ETN9轴承是【SKF轴承 > 滚动轴承 > 深沟球轴承】的型号,主要用在装卸搬运机械、离心分离机、发电机、变速器、各类产业用减速机、制铁制钢机械、矿山、饮料设备、起重机械、摩天轮等各大领域。

SKF 6208 ETN9轴承详细参数

深沟球轴承, 单列, 无密封件
主要数据尺寸基本负荷额定值疲劳负荷限值额定速度体积型号
动态静态参照速度限制速度
dDBCC0Pu
mmkNkNr/minkg-
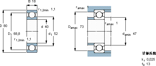
40801835,820,80,8818000110000,346208 ETN9

SKF 6208 ETN9轴承尺寸图纸

李工:138-8949-5179

刘工:135-0428-8802

地址:辽宁省大连经济技术开发区现代城3栋-13-13号

在线客服系统