轴承专区
Bearings Center
SILKAC 20 M轴承-SKF SILKAC 20 M轴承尺寸、图纸、价格
SKF SILKAC 20 M轴承
| 产品名称: | SILKAC 20 M轴承 | 品牌: | SKF |
|---|---|---|---|
| 类型: | SKF轴承 > 球面滑动轴承和杆端关节轴承 > 需维护的杆端关节轴承 | ||
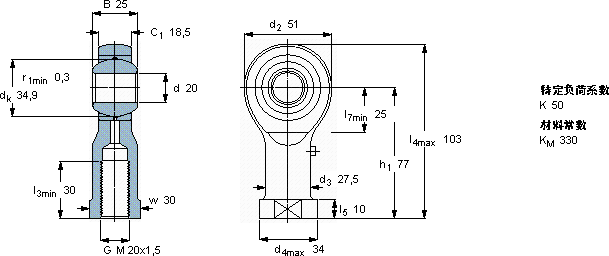
| 描述: | SILKAC 20 M轴承是【SKF轴承 > 球面滑动轴承和杆端关节轴承 > 需维护的杆端关节轴承】的型号,主要用在内燃机、空气压缩机、减速装置、大型农业机械、振动筛、耕耘机、挤压机、陶瓷机械、地基处理机械、数控设备等各大领域 | ||
电话/微信:138-8949-5179
SKF SILKAC 20 M轴承详细信息
SILKAC 20 M轴承是【SKF轴承 > 球面滑动轴承和杆端关节轴承 > 需维护的杆端关节轴承】的型号,主要用在内燃机、空气压缩机、减速装置、大型农业机械、振动筛、耕耘机、挤压机、陶瓷机械、地基处理机械、数控设备等各大领域。
SKF SILKAC 20 M轴承详细参数
| 需要维护的杆端, 钢对青铜,阴螺纹 | |||||||||||
| 主要数据尺寸 | 角度倾的 | 基本负荷额定值 | 质量 | 型号 | |||||||
| 动态 | 静态 | 轴承座完全与 | |||||||||
| d | d2 | B | d3 | C1 | h1 | ± | C | C0 | |||
| 6H | |||||||||||
| mm | 度数 | kN | kg | - | |||||||
| 20 | 51 | 25 | M 20x1,5 | 18,5 | 77 | 15 | 31,5 | 35,5 | 0,42 | SILKAC 20 M | |
SKF SILKAC 20 M轴承尺寸图纸

