李工:138-8949-5179 刘工:135-0428-8802
型号查询
轴承型号   常见搜索: 22222轴承 6909轴承 6002轴承 6007轴承 6032轴承 6008轴承
型号查询 X

轴承专区

Bearings Center

6411 N轴承-SKF 6411 N轴承尺寸、图纸、价格

SKF 6411 N轴承

产品名称:6411 N轴承 品牌:SKF
类型:SKF轴承 > 滚动轴承 > 深沟球轴承
描述:6411 N轴承是【SKF轴承 > 滚动轴承 > 深沟球轴承】的型号,主要用在飞机喷气式发动机、机床主轴、减速装置、汽车、振动筛、汽车转向销、燃机、陶瓷机械、掘进机、坦克等各大领域

 电话/微信:138-8949-5179

SKF 6411 N轴承详细信息

6411 N轴承是【SKF轴承 > 滚动轴承 > 深沟球轴承】的型号,主要用在飞机喷气式发动机、机床主轴、减速装置、汽车、振动筛、汽车转向销、燃机、陶瓷机械、掘进机、坦克等各大领域。

SKF 6411 N轴承详细参数

深沟球轴承, 单列,带止动环槽, 无密封件
主要数据尺寸基本负荷额定值疲劳负荷限值额定速度体积型号
动态静态参照速度限制速度轴承止动环
(R = 带止动环)
dDBCC0Pu
mmkNkNr/minkg-
551403399,5622,61100070002,306411 NSP 140

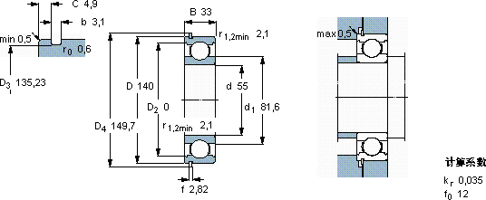
SKF 6411 N轴承尺寸图纸

李工:138-8949-5179

刘工:135-0428-8802

地址:辽宁省大连经济技术开发区现代城3栋-13-13号

在线客服系统