轴承专区
Bearings Center
SIL 20 ES轴承-SKF SIL 20 ES轴承尺寸、图纸、价格
SKF SIL 20 ES轴承
| 产品名称: | SIL 20 ES轴承 | 品牌: | SKF |
|---|---|---|---|
| 类型: | SKF轴承 > 球面滑动轴承和杆端关节轴承 > 需维护的杆端关节轴承 | ||
| 描述: | SIL 20 ES轴承是【SKF轴承 > 球面滑动轴承和杆端关节轴承 > 需维护的杆端关节轴承】的型号,主要用在内燃机、燃料喷射泵、变速器、齿轮减速装置、铁路车辆车轴、石油钻机、挤压机、破碎、解体机、码垛机器人等各大领域 | ||
电话/微信:138-8949-5179
SKF SIL 20 ES轴承详细信息
SIL 20 ES轴承是【SKF轴承 > 球面滑动轴承和杆端关节轴承 > 需维护的杆端关节轴承】的型号,主要用在内燃机、燃料喷射泵、变速器、齿轮减速装置、铁路车辆车轴、石油钻机、挤压机、破碎、解体机、码垛机器人等各大领域。
SKF SIL 20 ES轴承详细参数
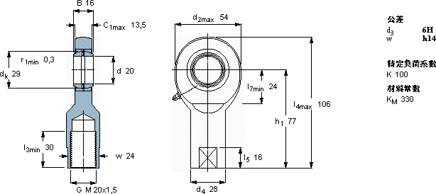
| 需要维护的杆端, 钢对钢,阴螺纹 | |||||||||||
| 主要数据尺寸 | 角度倾的 | 基本负荷额定值 | 质量 | 型号 | |||||||
| 动态 | 静态 | 杆端带右或左旋螺纹 | |||||||||
| d | d2 | B | d3 | C1 | h1 | ± | C | C0 | |||
| 6H | |||||||||||
| mm | 度数 | kN | kg | - | |||||||
| 20 | 54 | 16 | M 20x1,5 | 13,5 | 77 | 9 | 30 | 57 | 0,34 | SIL 20 ES | |
SKF SIL 20 ES轴承尺寸图纸

