轴承专区
Bearings Center
HMVC 180E轴承-SKF HMVC 180E轴承尺寸、图纸、价格
SKF HMVC 180E轴承
| 产品名称: | HMVC 180E轴承 | 品牌: | SKF |
|---|---|---|---|
| 类型: | SKF轴承 > 滚动轴承 > 轴承附件 | ||
| 描述: | HMVC 180E轴承是【SKF轴承 > 滚动轴承 > 轴承附件】的型号,主要用在建筑机械、离心分离机、汽车发动机、变速器、各类产业用减速机、制铁制钢机械、成形机、纺织、堆取料机、港口起重机等各大领域 | ||
电话/微信:138-8949-5179
SKF HMVC 180E轴承详细信息
HMVC 180E轴承是【SKF轴承 > 滚动轴承 > 轴承附件】的型号,主要用在建筑机械、离心分离机、汽车发动机、变速器、各类产业用减速机、制铁制钢机械、成形机、纺织、堆取料机、港口起重机等各大领域。
SKF HMVC 180E轴承详细参数
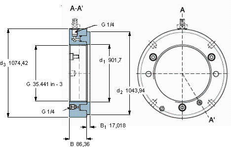
| Hydraulic nuts, inch sizes | ||||||||||||
| 螺纹尺寸 | 尺寸 | Permitted | Piston area | 体积 | 型号 | |||||||
| piston | ||||||||||||
| G | d1 | d2 | d3 | B | B1 | displacement | ||||||
| mm | mm (metric sizes) | mm | mm | mm2 (metric sizes) | kg | - | ||||||
| in - threads/in (inch sizes) | in2 (inch sizes) | |||||||||||
| 895,452 | 35.441 in - 3 | 901,7 | 1043,94 | 1074,42 | 86,36 | 17,018 | 29,972 | 192,4 | 452 | HMVC 180E | - | |
SKF HMVC 180E轴承尺寸图纸

