李工:138-8949-5179 刘工:135-0428-8802
型号查询
轴承型号   常见搜索: 6304轴承 7014轴承 6014轴承 32313轴承 6021轴承 6010轴承
型号查询 X

轴承专区

Bearings Center

SIKAC 8 M轴承-SKF SIKAC 8 M轴承尺寸、图纸、价格

SKF SIKAC 8 M轴承

产品名称:SIKAC 8 M轴承 品牌:SKF
类型:SKF轴承 > 球面滑动轴承和杆端关节轴承 > 需维护的杆端关节轴承
描述:SIKAC 8 M轴承是【SKF轴承 > 球面滑动轴承和杆端关节轴承 > 需维护的杆端关节轴承】的型号,主要用在家用电器、小型汽车前轮、中型及大型电动机、差速器、造纸机械、耕耘机、塔吊、精细化工机械、地基处理机械、冶金起重机等各大领域

 电话/微信:138-8949-5179

SKF SIKAC 8 M轴承详细信息

SIKAC 8 M轴承是【SKF轴承 > 球面滑动轴承和杆端关节轴承 > 需维护的杆端关节轴承】的型号,主要用在家用电器、小型汽车前轮、中型及大型电动机、差速器、造纸机械、耕耘机、塔吊、精细化工机械、地基处理机械、冶金起重机等各大领域。

SKF SIKAC 8 M轴承详细参数

需要维护的杆端, 钢对青铜,阴螺纹
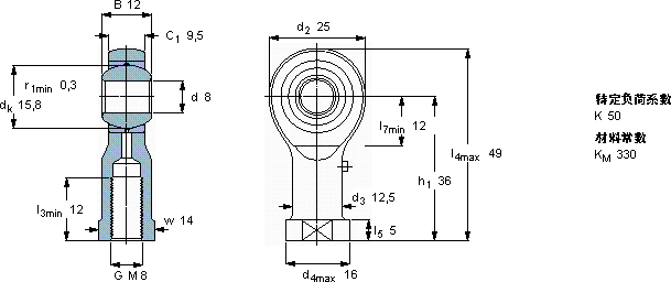
主要数据尺寸角度倾的基本负荷额定值质量型号
动态静态轴承座完全与
dd2Bd3C1h1±CC0
6H
mm度数kNkg-
82512M 89,536137,29,150,047SIKAC 8 M

SKF SIKAC 8 M轴承尺寸图纸

李工:138-8949-5179

刘工:135-0428-8802

地址:辽宁省大连经济技术开发区现代城3栋-13-13号

在线客服系统