轴承专区
Bearings Center
22228 CCK/W33 + AHX 3128 *轴承-SKF 22228 CCK/W33 + AHX 3128 *轴承尺寸、图纸、价格
SKF 22228 CCK/W33 + AHX 3128 *轴承
| 产品名称: | 22228 CCK/W33 + AHX 3128 *轴承 | 品牌: | SKF |
|---|---|---|---|
| 类型: | SKF轴承 > 滚动轴承 > 球面滚子轴承 | ||
| 描述: | 22228 CCK/W33 + AHX 3128 *轴承是【SKF轴承 > 滚动轴承 > 球面滚子轴承】的型号,主要用在通用电动机、各类变速器、压缩机、铁路车辆、印刷机械、机床等的变速装置、轧钢机轧制螺杆用减速机、精细化工机械、工程船舶、太阳能发电设备等各大领域 | ||
电话/微信:138-8949-5179
SKF 22228 CCK/W33 + AHX 3128 *轴承详细信息
22228 CCK/W33 + AHX 3128 *轴承是【SKF轴承 > 滚动轴承 > 球面滚子轴承】的型号,主要用在通用电动机、各类变速器、压缩机、铁路车辆、印刷机械、机床等的变速装置、轧钢机轧制螺杆用减速机、精细化工机械、工程船舶、太阳能发电设备等各大领域。
SKF 22228 CCK/W33 + AHX 3128 *轴承详细参数
| 球面滚子轴承, 带退卸套的 | ||||||||||
| 主要数据尺寸 | 基本负荷额定值 | 疲劳负荷限值 | 额定速度 | 体积 | 型号 | |||||
| 动态 | 静态 | 参照速度 | 限制速度 | 轴承 +退卸套 | ||||||
| d1 | D | B | C | C0 | Pu | |||||
| * - SKF Explorer 轴承 | ||||||||||
| mm | kN | kN | r/min | kg | - | |||||
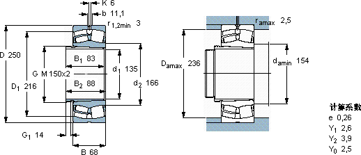
| 135 | 250 | 68 | 710 | 900 | 86,5 | 2400 | 3200 | 15,0 | 22228 CCK/W33 + AHX 3128 * | |
SKF 22228 CCK/W33 + AHX 3128 *轴承尺寸图纸

