轴承专区
Bearings Center
SI 70 TXE-2LS轴承-SKF SI 70 TXE-2LS轴承尺寸、图纸、价格
SKF SI 70 TXE-2LS轴承
| 产品名称: | SI 70 TXE-2LS轴承 | 品牌: | SKF |
|---|---|---|---|
| 类型: | SKF轴承 > 球面滑动轴承和杆端关节轴承 > 免维护的杆端关节轴承 | ||
| 描述: | SI 70 TXE-2LS轴承是【SKF轴承 > 球面滑动轴承和杆端关节轴承 > 免维护的杆端关节轴承】的型号,主要用在后轮、小型汽车前轮、汽车发动机、差速器、木工机械、汽车转向销、水力发电机、电子、掘进机、泥炮等各大领域 | ||
电话/微信:138-8949-5179
SKF SI 70 TXE-2LS轴承详细信息
SI 70 TXE-2LS轴承是【SKF轴承 > 球面滑动轴承和杆端关节轴承 > 免维护的杆端关节轴承】的型号,主要用在后轮、小型汽车前轮、汽车发动机、差速器、木工机械、汽车转向销、水力发电机、电子、掘进机、泥炮等各大领域。
SKF SI 70 TXE-2LS轴承详细参数
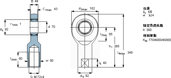
| 免维护杆端, 阴螺纹, 钢/PTFE织物 , 两面密封件 | |||||||||||
| 主要数据尺寸 | 角度倾的 | 基本负荷额定值 | 质量 | 型号 | |||||||
| 动态 | 静态 | 轴承座完全与密封件 | |||||||||
| d | d2 | B | d3 | C1 | h1 | ± | C | C0 | |||
| 6H | |||||||||||
| mm | 度数 | kN | kg | - | |||||||
| 70 | 162 | 49 | M 72x4 | 43 | 265 | 6 | 880 | 530 | 10,5 | SI 70 TXE-2LS | |
SKF SI 70 TXE-2LS轴承尺寸图纸

