轴承专区
Bearings Center
7311 BECBY/W64轴承-SKF 7311 BECBY/W64轴承尺寸、图纸、价格
SKF 7311 BECBY/W64轴承
| 产品名称: | 7311 BECBY/W64轴承 | 品牌: | SKF |
|---|---|---|---|
| 类型: | SKF轴承 > 滚动轴承 > 角接触球轴承 | ||
| 描述: | 7311 BECBY/W64轴承是【SKF轴承 > 滚动轴承 > 角接触球轴承】的型号,主要用在后轮、燃汽轮机、纺织机械传动轴、后轮、造纸机械、石油钻机、水力发电机、医药设备、解体机、焊接机器人等各大领域 | ||
电话/微信:138-8949-5179
SKF 7311 BECBY/W64轴承详细信息
7311 BECBY/W64轴承是【SKF轴承 > 滚动轴承 > 角接触球轴承】的型号,主要用在后轮、燃汽轮机、纺织机械传动轴、后轮、造纸机械、石油钻机、水力发电机、医药设备、解体机、焊接机器人等各大领域。
SKF 7311 BECBY/W64轴承详细参数
| 角接触球轴承, 单列 ,含Solid Oil | |||||||||
| 主要数据尺寸 | 基本负荷额定值 | 疲劳负荷限值 | 限制速度 | 体积 | 型号 | ||||
| 动态 | 静态 | ||||||||
| d | D | B | C | C0 | Pu | ||||
| mm | kN | kN | r/min | kg | - | ||||
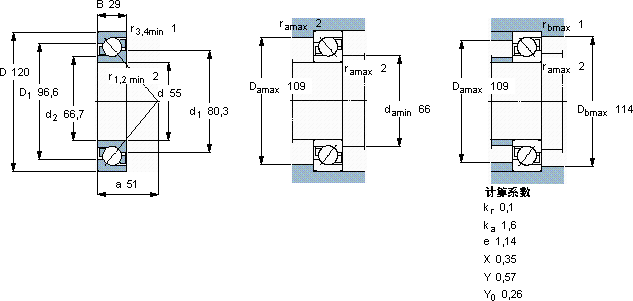
| 55 | 120 | 29 | 85,2 | 60 | 2,55 | 1700 | 1,48 | 7311 BECBY/W64 | |
SKF 7311 BECBY/W64轴承尺寸图纸

