轴承专区
Bearings Center
61909-2RZ轴承-SKF 61909-2RZ轴承尺寸、图纸、价格
SKF 61909-2RZ轴承
| 产品名称: | 61909-2RZ轴承 | 品牌: | SKF |
|---|---|---|---|
| 类型: | SKF轴承 > 滚动轴承 > 深沟球轴承 | ||
| 描述: | 61909-2RZ轴承是【SKF轴承 > 滚动轴承 > 深沟球轴承】的型号,主要用在建筑机械、差速器小齿轮轴、发电机、小齿轮轴、破碎机、机床等的变速装置、成形机、钟表、压路机、焊接机器人等各大领域 | ||
电话/微信:138-8949-5179
SKF 61909-2RZ轴承详细信息
61909-2RZ轴承是【SKF轴承 > 滚动轴承 > 深沟球轴承】的型号,主要用在建筑机械、差速器小齿轮轴、发电机、小齿轮轴、破碎机、机床等的变速装置、成形机、钟表、压路机、焊接机器人等各大领域。
SKF 61909-2RZ轴承详细参数
| 深沟球轴承, 单列, 低摩擦两面密封件 | |||||||||||
| 主要数据尺寸 | 基本负荷额定值 | 疲劳负荷限值 | 额定速度 | 体积 | 型号 | ||||||
| 动态 | 静态 | 参照速度 | 限制速度 | ||||||||
| d | D | B | C | C0 | Pu | ||||||
| mm | kN | kN | r/min | kg | - | ||||||
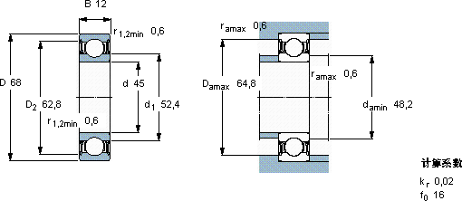
| 45 | 68 | 12 | 14 | 10,8 | 0,465 | 20000 | 10000 | 0,14 | 61909-2RZ | ||
SKF 61909-2RZ轴承尺寸图纸

