李工:138-8949-5179 刘工:135-0428-8802
型号查询
轴承型号   常见搜索: 688a轴承 6305轴承 2025轴承 6017轴承 6005轴承 6004轴承
型号查询 X

轴承专区

Bearings Center

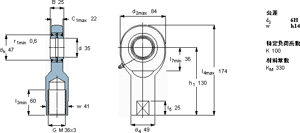
SI 35 ES-2RS轴承-SKF SI 35 ES-2RS轴承尺寸、图纸、价格

SKF SI 35 ES-2RS轴承

产品名称:SI 35 ES-2RS轴承 品牌:SKF
类型:SKF轴承 > 球面滑动轴承和杆端关节轴承 > 需维护的杆端关节轴承
描述:SI 35 ES-2RS轴承是【SKF轴承 > 球面滑动轴承和杆端关节轴承 > 需维护的杆端关节轴承】的型号,主要用在各种产业机械、离心分离机、压缩机、变速器、印刷机械、石油钻机转环、发电厂、薄膜拉伸、凿岩机械、塔式车库等各大领域

 电话/微信:138-8949-5179

SKF SI 35 ES-2RS轴承详细信息

SI 35 ES-2RS轴承是【SKF轴承 > 球面滑动轴承和杆端关节轴承 > 需维护的杆端关节轴承】的型号,主要用在各种产业机械、离心分离机、压缩机、变速器、印刷机械、石油钻机转环、发电厂、薄膜拉伸、凿岩机械、塔式车库等各大领域。

SKF SI 35 ES-2RS轴承详细参数

需要维护的杆端, 钢对钢,阴螺纹, 两面密封件
主要数据尺寸角度倾的基本负荷额定值质量型号
动态静态杆端带右或左旋螺纹
dd2Bd3C1h1±CC0
6H
mm度数kNkg-
358425M 36x3221306801341,40SI 35 ES-2RS

SKF SI 35 ES-2RS轴承尺寸图纸

李工:138-8949-5179

刘工:135-0428-8802

地址:辽宁省大连经济技术开发区现代城3栋-13-13号

在线客服系统