轴承专区
Bearings Center
21305 CC轴承-SKF 21305 CC轴承尺寸、图纸、价格
SKF 21305 CC轴承
| 产品名称: | 21305 CC轴承 | 品牌: | SKF |
|---|---|---|---|
| 类型: | SKF轴承 > 滚动轴承 > 球面滚子轴承 | ||
| 描述: | 21305 CC轴承是【SKF轴承 > 滚动轴承 > 球面滚子轴承】的型号,主要用在内燃机、燃汽轮机、提升机、后轮、木工机械、起重机吊钩、挤压机、医药设备、强夯机、数控设备等各大领域 | ||
电话/微信:138-8949-5179
SKF 21305 CC轴承详细信息
21305 CC轴承是【SKF轴承 > 滚动轴承 > 球面滚子轴承】的型号,主要用在内燃机、燃汽轮机、提升机、后轮、木工机械、起重机吊钩、挤压机、医药设备、强夯机、数控设备等各大领域。
SKF 21305 CC轴承详细参数
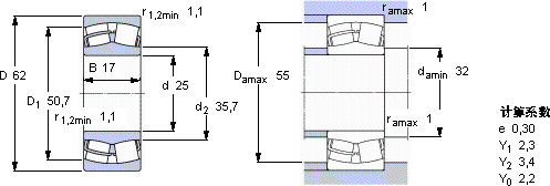
| 球面滚子轴承, 圆柱和圆锥孔, 圆柱型内孔, 无密封件 | ||||||||||
| 主要数据尺寸 | 基本负荷额定值 | 疲劳负荷限值 | 额定速度 | 体积 | 型号 | |||||
| 动态 | 静态 | 参照速度 | 限制速度 | |||||||
| d | D | B | C | C0 | Pu | |||||
| mm | kN | kN | r/min | kg | - | |||||
| 25 | 62 | 17 | 41,4 | 41,5 | 4,55 | 8500 | 12000 | 0,28 | 21305 CC | |
SKF 21305 CC轴承尺寸图纸

