轴承专区
Bearings Center
FYRP 2 H-3轴承-SKF FYRP 2 H-3轴承尺寸、图纸、价格
SKF FYRP 2 H-3轴承
| 产品名称: | FYRP 2 H-3轴承 | 品牌: | SKF |
|---|---|---|---|
| 类型: | SKF轴承 > 轴承单元 > 法兰滚子轴承单元 | ||
| 描述: | FYRP 2 H-3轴承是【SKF轴承 > 轴承单元 > 法兰滚子轴承单元】的型号,主要用在内燃机、燃料喷射泵、汽车发动机、齿轮减速装置、振动筛、石油钻机、挤压机、钟表、解体机、码垛机器人等各大领域 | ||
电话/微信:138-8949-5179
SKF FYRP 2 H-3轴承详细信息
FYRP 2 H-3轴承是【SKF轴承 > 轴承单元 > 法兰滚子轴承单元】的型号,主要用在内燃机、燃料喷射泵、汽车发动机、齿轮减速装置、振动筛、石油钻机、挤压机、钟表、解体机、码垛机器人等各大领域。
SKF FYRP 2 H-3轴承详细参数
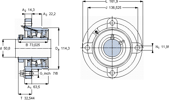
| 带法兰的滚子轴承单元, 锁定套和插口,用于英制的轴, locating units, radial shaft seals | |||||||||||
| 尺寸 | 尺寸 [英寸] | 限制速度 | 质量 | 型号 | 轴承,基本型号 | ||||||
| 动态 | 静态 | ||||||||||
| da | A1 | J | L | T | C | C0 | |||||
| mm | kN | r/min | kg | - | - | ||||||
| 50,8 | 63,5 | 136,525 | 161,9 | 32,544 | 84,5 | 100 | 2400 | 3,72 | FYRP 2 H-3 | 22210 | |
SKF FYRP 2 H-3轴承尺寸图纸

