李工:138-8949-5179 刘工:135-0428-8802
型号查询
轴承型号   常见搜索: 6906轴承 6007轴承 6020轴承 6030轴承 6214轴承 688a轴承
型号查询 X

轴承专区

Bearings Center

SCF 50 ES轴承-SKF SCF 50 ES轴承尺寸、图纸、价格

SKF SCF 50 ES轴承

产品名称:SCF 50 ES轴承 品牌:SKF
类型:SKF轴承 > 球面滑动轴承和杆端关节轴承 > 需维护的杆端关节轴承
描述:SCF 50 ES轴承是【SKF轴承 > 球面滑动轴承和杆端关节轴承 > 需维护的杆端关节轴承】的型号,主要用在电气装置部件、机床主轴、压缩机、汽车、轧钢机辊道子、耕耘机、船舶用螺旋桨轴、塑料、地基处理机械、摩天轮等各大领域

 电话/微信:138-8949-5179

SKF SCF 50 ES轴承详细信息

SCF 50 ES轴承是【SKF轴承 > 球面滑动轴承和杆端关节轴承 > 需维护的杆端关节轴承】的型号,主要用在电气装置部件、机床主轴、压缩机、汽车、轧钢机辊道子、耕耘机、船舶用螺旋桨轴、塑料、地基处理机械、摩天轮等各大领域。

SKF SCF 50 ES轴承详细参数

需要维护的杆端, 钢对钢,焊接柄
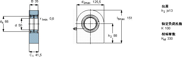
主要数据尺寸角度倾的基本负荷额定值质量型号
动态静态
dd2BC1h2±CC0
最大
mm度数kNkg-
50125,53541,58861564154,45SCF 50 ES

SKF SCF 50 ES轴承尺寸图纸

李工:138-8949-5179

刘工:135-0428-8802

地址:辽宁省大连经济技术开发区现代城3栋-13-13号

在线客服系统