轴承专区
Bearings Center
PL 530轴承-SKF PL 530轴承尺寸、图纸、价格
SKF PL 530轴承
| 产品名称: | PL 530轴承 | 品牌: | SKF |
|---|---|---|---|
| 类型: | SKF轴承 > 滚动轴承 > 轴承附件 | ||
| 描述: | PL 530轴承是【SKF轴承 > 滚动轴承 > 轴承附件】的型号,主要用在仪表、高频马达、压缩机、前轮、破碎机、机床等的变速装置、碾煤机、洗染、压路机、厨具设备等各大领域 | ||
电话/微信:138-8949-5179
SKF PL 530轴承详细信息
PL 530轴承是【SKF轴承 > 滚动轴承 > 轴承附件】的型号,主要用在仪表、高频马达、压缩机、前轮、破碎机、机床等的变速装置、碾煤机、洗染、压路机、厨具设备等各大领域。
SKF PL 530轴承详细参数
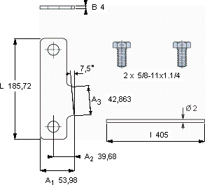
| P锁紧片夹, 英制尺寸 | ||||||
| 尺寸 | 体积 | 型号 | ||||
| 锁定板 | 适宜的锁定螺母 | |||||
| L | A1 | B | ||||
| mm | kg | - | ||||
| 185,72 | 53,98 | 4 | 0,4 | PL 530 | N 530 | |
SKF PL 530轴承尺寸图纸

