轴承专区
Bearings Center
32309 BRJ2/QCL7C轴承-SKF 32309 BRJ2/QCL7C轴承尺寸、图纸、价格
SKF 32309 BRJ2/QCL7C轴承
| 产品名称: | 32309 BRJ2/QCL7C轴承 | 品牌: | SKF |
|---|---|---|---|
| 类型: | SKF轴承 > 滚动轴承 > 圆锥滚子轴承 | ||
| 描述: | 32309 BRJ2/QCL7C轴承是【SKF轴承 > 滚动轴承 > 圆锥滚子轴承】的型号,主要用在燃汽轮机、差速器小齿轮轴、挖土机履带轮、小齿轮轴、减速装置、机床主轴、电机厂、音像设备、混凝土机械、数控设备等各大领域 | ||
电话/微信:138-8949-5179
SKF 32309 BRJ2/QCL7C轴承详细信息
32309 BRJ2/QCL7C轴承是【SKF轴承 > 滚动轴承 > 圆锥滚子轴承】的型号,主要用在燃汽轮机、差速器小齿轮轴、挖土机履带轮、小齿轮轴、减速装置、机床主轴、电机厂、音像设备、混凝土机械、数控设备等各大领域。
SKF 32309 BRJ2/QCL7C轴承详细参数
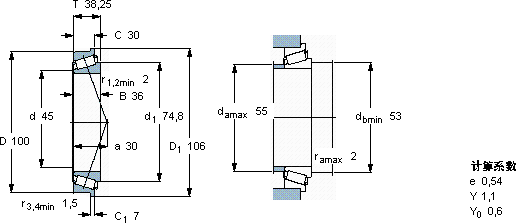
| 圆锥滚子轴承, 单列, 公制轴承, 外圈有挡边 | ||||||||||
| 主要数据尺寸 | 基本负荷额定值 | 疲劳负荷限值 | 额定速度 | 体积 | 型号 | |||||
| 动态 | 静态 | 参照速度 | 限制速度 | |||||||
| d | D | T | C | C0 | Pu | |||||
| mm | kN | kN | r/min | kg | - | |||||
| 45 | 100 | 38,25 | 134 | 176 | 20 | 4800 | 6700 | 1,50 | 32309 BRJ2/QCL7C | |
SKF 32309 BRJ2/QCL7C轴承尺寸图纸

