轴承专区
Bearings Center
SCF 35 ES轴承-SKF SCF 35 ES轴承尺寸、图纸、价格
SKF SCF 35 ES轴承
| 产品名称: | SCF 35 ES轴承 | 品牌: | SKF |
|---|---|---|---|
| 类型: | SKF轴承 > 球面滑动轴承和杆端关节轴承 > 需维护的杆端关节轴承 | ||
| 描述: | SCF 35 ES轴承是【SKF轴承 > 球面滑动轴承和杆端关节轴承 > 需维护的杆端关节轴承】的型号,主要用在农业机械、油泵、汽车发动机、机床主轴、木工机械、起重机吊钩、钢铁厂、啤酒、强夯机、太阳能发电设备等各大领域 | ||
电话/微信:138-8949-5179
SKF SCF 35 ES轴承详细信息
SCF 35 ES轴承是【SKF轴承 > 球面滑动轴承和杆端关节轴承 > 需维护的杆端关节轴承】的型号,主要用在农业机械、油泵、汽车发动机、机床主轴、木工机械、起重机吊钩、钢铁厂、啤酒、强夯机、太阳能发电设备等各大领域。
SKF SCF 35 ES轴承详细参数
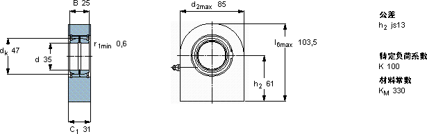
| 需要维护的杆端, 钢对钢,焊接柄 | ||||||||||
| 主要数据尺寸 | 角度倾的 | 基本负荷额定值 | 质量 | 型号 | ||||||
| 动态 | 静态 | |||||||||
| d | d2 | B | C1 | h2 | ± | C | C0 | |||
| 最大 | ||||||||||
| mm | 度数 | kN | kg | - | ||||||
| 35 | 85 | 25 | 31 | 61 | 6 | 80 | 183 | 1,55 | SCF 35 ES | |
SKF SCF 35 ES轴承尺寸图纸

