轴承专区
Bearings Center
HMV 47E轴承-SKF HMV 47E轴承尺寸、图纸、价格
SKF HMV 47E轴承
| 产品名称: | HMV 47E轴承 | 品牌: | SKF |
|---|---|---|---|
| 类型: | SKF轴承 > 滚动轴承 > 轴承附件 | ||
| 描述: | HMV 47E轴承是【SKF轴承 > 滚动轴承 > 轴承附件】的型号,主要用在建筑机械、差速器小齿轮轴、纺织机械传动轴、小齿轮轴、各类产业用减速机、机床等的变速装置、成形机、电子、工程船舶、焊接机器人等各大领域 | ||
电话/微信:138-8949-5179
SKF HMV 47E轴承详细信息
HMV 47E轴承是【SKF轴承 > 滚动轴承 > 轴承附件】的型号,主要用在建筑机械、差速器小齿轮轴、纺织机械传动轴、小齿轮轴、各类产业用减速机、机床等的变速装置、成形机、电子、工程船舶、焊接机器人等各大领域。
SKF HMV 47E轴承详细参数
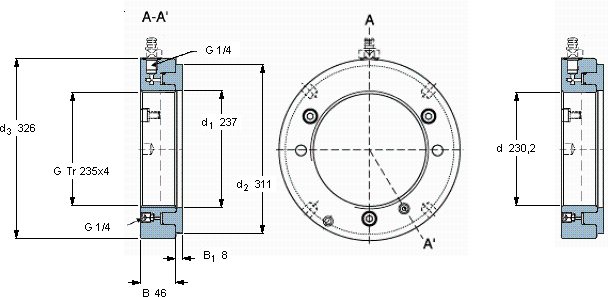
| Hydraulic nuts, metric sizes | ||||||||||||
| 螺纹尺寸 | 尺寸 | Permitted | Piston area | 体积 | 型号 | |||||||
| piston | ||||||||||||
| G | d1 | d2 | d3 | B | B1 | displacement | ||||||
| mm | mm (metric sizes) | mm | mm | mm2 (metric sizes) | kg | - | ||||||
| in - threads/in (inch sizes) | in2 (inch sizes) | |||||||||||
| 235 | Tr 235x4 | 237 | 311 | 326 | 46 | 8 | 10 | 16200 | 16,0 | HMV 47E | HMV 47E/A101 | |
SKF HMV 47E轴承尺寸图纸

