李工:138-8949-5179 刘工:135-0428-8802
型号查询
轴承型号   常见搜索: 22222轴承 2025轴承 6205轴承 6304轴承 6026轴承 6005轴承
型号查询 X

轴承专区

Bearings Center

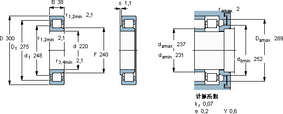
NJ 1944 ECMA轴承-SKF NJ 1944 ECMA轴承尺寸、图纸、价格

SKF NJ 1944 ECMA轴承

产品名称:NJ 1944 ECMA轴承 品牌:SKF
类型:SKF轴承 > 滚动轴承 > 圆柱滚子轴承
描述:NJ 1944 ECMA轴承是【SKF轴承 > 滚动轴承 > 圆柱滚子轴承】的型号,主要用在农业机械、机床主轴、挖土机履带轮、汽车、木工机械、汽车转向销、钢铁厂、音像设备、土方机械、太阳能发电设备等各大领域

 电话/微信:138-8949-5179

SKF NJ 1944 ECMA轴承详细信息

NJ 1944 ECMA轴承是【SKF轴承 > 滚动轴承 > 圆柱滚子轴承】的型号,主要用在农业机械、机床主轴、挖土机履带轮、汽车、木工机械、汽车转向销、钢铁厂、音像设备、土方机械、太阳能发电设备等各大领域。

SKF NJ 1944 ECMA轴承详细参数

圆柱滚子轴承, 单列, NJ 设计
主要数据尺寸基本负荷额定值疲劳负荷限值额定速度体积型号适宜的斜挡圈
动态静态参照速度限制速度型号
dDBCC0Pu
mmkNkNr/minkg--
2203003833656055240030008,30NJ 1944 ECMA-

SKF NJ 1944 ECMA轴承尺寸图纸

李工:138-8949-5179

刘工:135-0428-8802

地址:辽宁省大连经济技术开发区现代城3栋-13-13号

在线客服系统